^^
ȸ»ç¼Ò°³
ȸ»ç¼Ò°³
°³¿ä ¹× ¿¬Çõ
VISION
Á¶Á÷µµ
¿µ¾÷¹æÇâ
¿À½Ã´Â±æ
omron
PLC
CJ Series
CS Series
CP1
CQM1H
C200H Series
CVM1/CV
CPM
C Series
NJ Series
Çʵå³×Æ®¿÷ ±â±â
¹è¼±Àý¾à¿ë ±â±â
¹«¼± ±â±â
Safety
¼¼ÀÌÇÁƼ¾îÇø®ÄÉÀ̼ÇÄÁÆ®·Ñ·¯
¼¼ÀÌÇÁƼ µµ¾î ½ºÀ§Ä¡
¼¼ÀÌÇÁƼ¸®¹ÌÆ®½ºÀ§Ä¡
¼¼ÀÌÇÁƼ ¼¾¼
ºñ»ó Á¤Áö¿ë ½ºÀ§Ä¡
À̳×ÀÌºí¸µ ±â±â
Á¸Àç °ËÁö ¼¾¼
¼¼ÀÌÇÁƼ ¸±·¹ÀÌ
I/O Å͹̳Î
¼ÒÇÁÆ®¿þ¾î
Sensor
±¤Àü¼¾¼
Æ÷Å丶ÀÌÅ©·Î¼¾¼
±ÙÁ¢¼¾¼
·ÎÅ͸®¿£ÄÚ´õ
ÃÊÀ½ÆÄ¼¾¼
¾Ð·Â¼¾¼
º¯À§¼¾¼
ÃøÀå¼¾¼
°èÃø¼¾¼
Áøµ¿¼¾¼
°æ»ç¼¾¼
´©¾×¼¾¼
ÅÍÄ¡¼¾¼
ºñÀü½Ã½ºÅÛ
¼¾¼ ÄÁÆ®·Ñ·¯
·¹º§±â±â
Relay
Á¦¾î¹Ý¿ë
±â±â³»Àå¿ë
Ư¼öµ¿ÀÛ¿ë
Control Compon
Program Relay
Digital Panel Meter
Cam Positioners
Counters
Timer
Temperature Controllers
Inverter
SYSDRIVE
°í±â´ÉÇüÀιöÅÍ
HMI
NT Series
NS Series
NSJ
NP3
NV Series
Servo
OMNUC
SMARTSTEP
Etc
OMRON-ETC
½Å»óǰ ¼Ò°³
2013³â 1¿ù ½Å»óǰ
2013³â 2¿ù ½Å»óǰ
2013³â 3¿ù ½Å»óǰ
2013³â 4¿ù ½Å»óǰ
2013³â 5¿ù ½Å»óǰ
2013³â 6¿ù ½Å»óǰ
OMRON Àüü ¸®½ºÆ®
FACNS OMRON ALL PRODUCT LIST (1~6)
easyview
ÅÍÄ¡½ºÅ©¸°
4.3inch
5.6inch
7.0inch
10.0inch
10.4inch
12.1inch
15.0inch
yaskawa
ÀιöÅÍ
»ê¾÷¿ë ·Îº¿
·Îº¸½Ç¸°´õ
Á¦Ç°¼Ò°³
SUS
Á¦Ç°¼Ò°³
Á÷±³ ·Îº¸Æ®
Á¦Ç°¼Ò°³
Direct Drive Motor(DD Motor)
Hurricane-Mate ¾×¼Ö
fa application
ÀÚµ¿Â÷ºÎǰ/±â°èºÎǰ
½Äǰ/ÀǾàǰ
Á¾ÀÌ/Çʸ§/¼±Àç/°ÇÀç
ÀüÀÚºÎǰ
±âŸ
OMRON
°Ë»ç/½ÃÇè
new biz
½Ã½ºÅÛ Á¦ÀÛ
Å×½ºÆ® Àåºñ Á¦ÀÛ
ÀÚµ¿ º¯È¯ °¡¾Ð ÅÊÅ©
Áø°øÅ»Æ÷ ÀÚµ¿º¯È¯ÅÊÅ©
¿¡³ÊÁöÀý°¨ Á¶¸í
Sunlight ¹«Àü±Ø·¥ÇÁ
¹«Àü±Ø·¥ÇÁ
½Ç³»¿ë ¹Ý»ç°«
¿Á¿Ü¿ë ¹Ý»ç°«
Sunlight CCFL Human Light
Ç×±Õ Ç×Ãëµî
°í°´¼¾ÅÍ
°øÁö»çÇ×
¹®ÀÇ°Ô½ÃÆÇ
¿Â¶óÀÎ °ßÀû
ä¿ë°ø°í
±â¼ú¼Æ÷Æ®
HOME
Á¦Ç°¼Ò°³
Á¦Ç°¼Ò°³
±¸ºÐ
OMRON
Á¦Ç°ÄÚµå
Á¦Ç°¸í
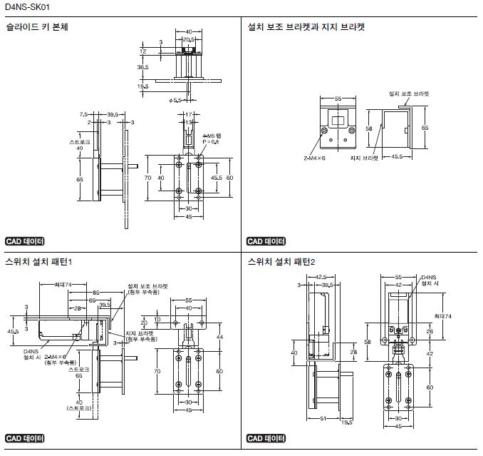
D4NS/D4JL ¼³Ä¡¿ë ½½¶óÀ̵å Ű À¯´ÏÆ® D4NS-SK/D4JL-SK
Lineup
Dimensions
-----------------------------------------------------------------------------------------------------------
°ü·Ã »óǰ
D4GL-SK10-LKH-K
D4GL-SK10-LK-K
D4JL-SK40
D4NS-SK01
D4NS-SK30
D4NS-SK30H-H1